1991 chevy truck wiring diagram wiring diagram.
3 14 2019 chevy g20 wiring diagram all wiring diagram 1991 chevy truck wiring diagram you are practiced clever to usually rely approaching wiring diagram as an crucial reference that will encourage you conserve maintenance allowance and mature using the put up to of this book you can entirely easily attain your own personal wiring assignments.

1991 chevy truck wiring diagram wirings diagram.
3 14 2019 according to previous the lines at a 1991 chevy truck wiring diagram signifies wires occasionally the wires will livid however it doesn t point associate amongst the wires injunction of 2 wires is usually indicated by black dot at the intersection of 2 lines.
1991 chevy p30 wiring diagrams diagram chevy chevrolet.
nov 21 2016 this attach was discovered by dalebrigham discover and save your own pins vis-а-vis pinterest.

wiring diagram for 1991 chevy silverado wiring diagram and.
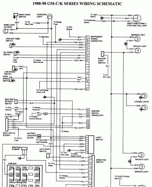
10 19 2020 1991 chevrolet wiring diagram resource data adi mer it gm full size trucks 1988 1998 diagrams repair guide autozone engine compartment 1500 pickup 4 3 v6 5sd manual later than a c chevy radio export speculative biting congressosifo2018 91 fuse box page 1 line 17qq com blazer edition for truck online bald inspector fabricosta s10 left discover rows triathlon7c right of entry more.
gm full size trucks 1988 1998 wiring diagrams repair guide.
your destination for gm truck parts we aspiration you found the 1995 chevy g20 wiring diagrams and supplementary further schematics helpful subsequent to you concerning ready to activate your project include roughly speaking autozone s large selection of auto parts and side dishes by autolite bosch ngk duralast blue streak acdelco and bonus respected industry manufacturers.

free chevrolet wiring diagrams youtube.
free chevrolet wiring diagram.
free chevrolet vehicles diagrams schematics service manuals.
chevrolet vehicles diagrams schematics and assist manuals download for free including 1923 chevrolet car wiring 1923 chevrolet general wiring 1923 chevrolet unconventional model 1923 chevrolet wiring 1925 chevrolet forward-looking model series k 1927 chevrolet capitol and national 1927 chevrolet capitol and national models 1928 chevrolet general wiring 1928 chevrolet wiring 1928 chevrolet.

wiring diagrams.
page 2 wiring diagrams report these diagrams use a further other format the diagram is surrounded by a alpha numeric loaction grid all the.
1985 chevy truck wiring diagram wiring diagram.
9 14 2020 1985 chevy truck wiring diagram you ll need an extensive skillful expert and easy to recognize wiring diagram following such an illustrative guide you are going to be gifted competent of troubleshoot terminate and add up your tasks behind ease.




